
L'exemple suivant montre comment remplacer une Unité image jaune.
Remplacez bien une Unité image par un produit non usagé. En cas de remplacement d'une Unité image par une unité usagée, il se peut que la fenêtre de message ne se vide pas.

Ne touchez pas la surface du tambour OPC. Sinon, la qualité d'impression risque d'être réduite.

Ne pas toucher la borne en cuivre de l'Unité image. L'électricité statique risque d'endommager le produit.
Vérifiez la couleur de l'Unité image à remplacer dans la fenêtre de message du Panneau de contrôle.
Ouvrez la porte avant.
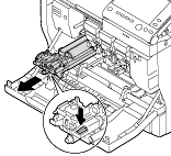
Tirez le levier à l'avant de la Cartouche Toner vers la gauche.
Tenez la poignée de la Cartouche Toner, puis sortez-la.
Une inclinaison de la Cartouche Toner risque d'entraîner un renversement du toner.

Poussez le Flacon de toner usagé vers le haut pour le déverrouiller.
Tenez les poignées à droite et à gauche du Flacon de toner usagé, puis sortez avec précaution le Flacon de toner usagé.
Une inclinaison du Flacon de toner usagé risque d'entraîner un renversement du toner.

Tout en appuyant sur la patte de l'Unité image à remplacer, sortez l'Unité image.
Vérifiez la couleur de la nouvelle Unité image.
Sortez l'Unité image du sachet.
Maintenez une Unité image neuve à deux mains, pus secouez-la plusieurs fois comme illustré.

Retirez le ruban de protection sur l'Unité image, puis retirez le papier de protection (noir).
Retirez le ruban de protection sur l'Unité image, puis retirez la feuille de protection.
Retirez la feuille de maintien et les matériaux de protection de l'Unité image.
Assurez-vous que la couleur de l'Unité image neuve coïncide avec celle de la fente d'insertion de l'unité principale, puis enfoncez la Cartouche Toner jusqu'au fond.

Ne pas toucher la borne en cuivre de l'Unité image. L'électricité statique risque d'endommager le produit.
Poussez le Flacon de toner usagé en arrière pour le verrouiller.
Assurez-vous que la couleur de la Cartouche Toner coïncide avec celle de la fente d'insertion de l'unité principale, puis enfoncez la Cartouche Toner jusqu'au fond.
Poussez la cartouche toner au fond.


Ne pas toucher la borne en cuivre de la Cartouche Toner. L'électricité statique risque d'endommager le produit.
Tirez le levier vers la droite pour le verrouiller.
Ramenez avec précaution le levier à l'avant dans sa position d'origine. Si le levier n'est pas ramené dans sa position d'origine, la porte avant n'est pas fermée.

Fermez la porte avant.